Description
Toro OEM 145 6257 01 Height of Cut (HOC) Pin Selection Bracket Bolts to the Mower Frame Allowing the Height of Cut (HOC) Link to Travel Through or Under the (HOC) Bracket this Allows the Operator to Insert a Mower Deck Height Adjustment Pin at Their Preferred Mowing or Operating Height. 145 6257 01 Enables the Operator to Insert a Mower Deck Height Adjustment Pin at Their Preferred Mowing Height While Using the Mower Deck Foot Assist Pedal to Elevate the Mower Deck While Make the Preferred Selection. Toro 145-6257-01 (HOC) Selection Bracket Fits Toro Current 42", 50", 54", 60" Timecutter MAX (Models with Toro Red Paint). Due to Variation Within Model Numbers/Series, please refer to the Images above; Product Specifications and to the Model Fit Chart below to ensure a correct fit and for an Accurate Break down of Specific Model Number Usage.
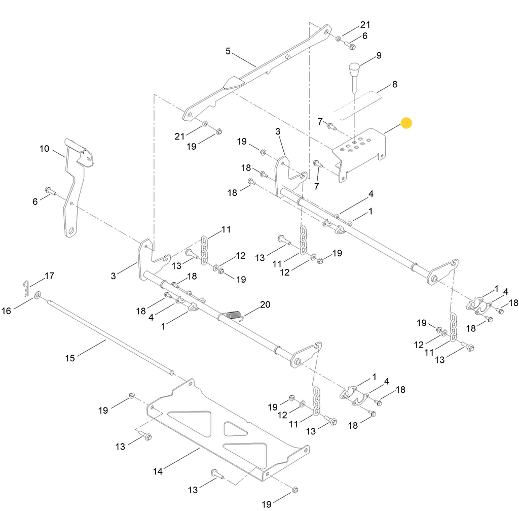
ASSOCIATED PARTS REFERENCES FOR PART NUMBER 145-6257-01 ONLY
CLICK ON THE ASSOCIATED PART NUMBER TO BE REDIRECTED
- 145-6257-01 - HEIGHT OF CUT (HOC) SELECTION BRACKET - (Height of Cut (HOC) Selection Bracket that Bolt Against the Mower Frame Allowing the Height of Cut (HOC) Link to Travel Through or Under the (HOC) Bracket this Allows the Operator to Insert a Mower Deck Height Adjustment Pin at Their Preferred Mowing or Operating Height Ect.) x1 Per Unit
- 147-2866 - (HOC) Decal - (Allows the Operator to easily Make Their Preferred Selection of Height of Cut Setting- Installed on the Operator-Top-Side Surface of the (HOC) Selection Plate) x1 Per (HOC) Selection Bracket
- 139-2428 - FLANGE SELF-TAPPING BOLTS - (Enables the (HOC) Selection Bracket to be Fastened Against the Mower Frame) x2 Per (HOC) Selection Bracket
- 140-2146 - (HOC) Pin - (Fits into the (HOC) Selection Bracket, providing a stable resting point for the Height of Cut (HOC) Link's - Weldment Plate - to Rest Against at the operator’s chosen Height Setting) x1 Per Unit
- 145-0557-01 - HEIGHT OF CUT LINK - (Connects the Front Mower Deck Pivot Arm/Foot Pedal Combo to the Rear Pivot Arm and Enable the Operator to use the Height of Cut (HOC) Selection Bracket and Pin to Set his Preferred Cut of Height as well as lift the Front and Back of the Mower Deck Simultaneously) x1 Per Unit
Specification
|
Product Number: |
145625701 |
|
Brand: |
Toro |
|
Length: |
NA |
|
Width: |
NA |
|
Height: |
NA |
|
Weight: |
1.969 LB (0.893 KG) |
Model Fit:
TIMECUTTER
42” TIMECUTTER MAX (STANDARD) Series – Model Numbers – (* Model Numbers 77402)
42” TIMECUTTER MAX (My-Ride) Series – Model Numbers – (* Model Numbers 77403)
50” TIMECUTTER MAX (STANDARD) Series – Model Numbers – (* Model Numbers 77501, 77505)
50” TIMECUTTER MAX (My-Ride) Series – Model Numbers – (* Model Numbers 77502)
54” TIMECUTTER MAX (STANDARD) Series – Model Numbers – (* Model Numbers 77504)
54” TIMECUTTER MAX (My-Ride) Series – Model Numbers – (* Model Numbers 77503)
60” TIMECUTTER MAX (STANDARD) Series – Model Numbers – (* Model Numbers 77601)
