Description
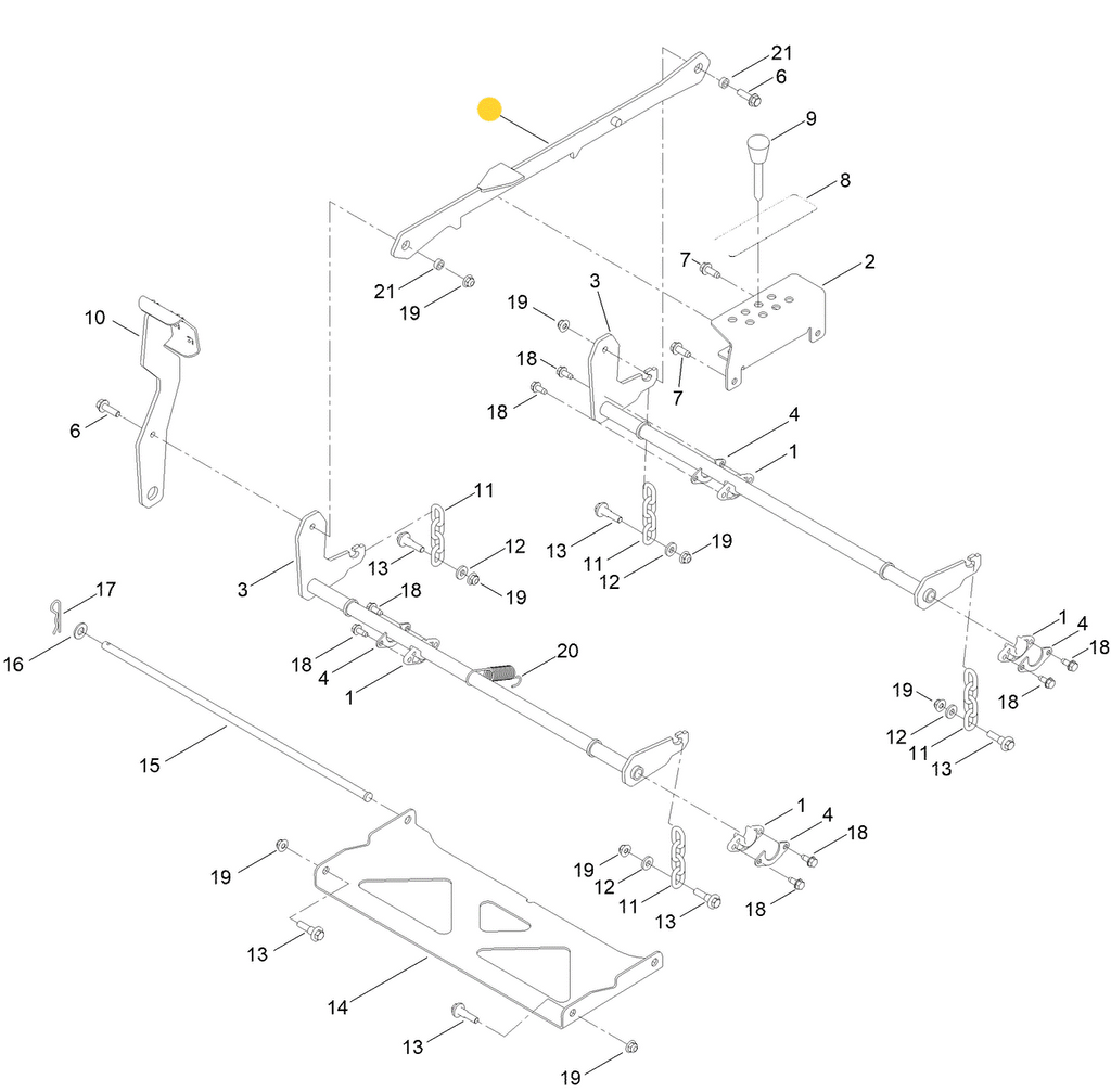
Toro OEM 145 0557 01 Height of Cut (HOC) Link Connects the Front Mower Deck Pivot Arm/Foot Pedal Combo to the Rear Pivot Arm and Enables the Operator to uniformly raise and lower the Front and Back of the Mower Deck Simultaneously. Toro 145 0557 01 Also is Essential for Setting Transport Mower Deck Height Setting as well as Optional Mowing Height Setting by Allowing the Operator to Insert a Mower Deck Height Adjustment Pin at Their Preferred Mowing or Operating Height. Both Features are Designed and Require the Transport and Mower Deck Setting Notches That is Manufactured into the (HOC) Link. Toro OEM 145-0557-01 Height of Cut Link Fits Toro Current 42", 50", 54", 60" Timecutter MAX (Models with Toro Red Paint). Due to Variation Within Model Numbers/Series, please refer to the Images above; Product Specifications and to the Model Fit Chart below to ensure a correct fit and for an Accurate Break down of Specific Model Number Usage.
ASSOCIATED PARTS REFERENCES FOR PART NUMBER 145-0557-01 ONLY
CLICK ON THE ASSOCIATED PART NUMBER TO BE REDIRECTED
- 145-6257-01 - HEIGHT OF CUT (HOC) SELECTION BRACKET - (Height of Cut (HOC) Selection Bracket that Bolt Against the Mower Frame Allowing the Height of Cut (HOC) Link to Travel Through or Under the (HOC) Bracket this Allows the Operator to Insert a Mower Deck Height Adjustment Pin at Their Preferred Mowing or Operating Height Ect.) x1 Per Unit
- 147-2866 - (HOC) Decal - (Allows the Operator to easily Make Their Preferred Selection of Height of Cut Setting- Installed on the Operator-Top-Side Surface of the (HOC) Selection Plate) x1 Per (HOC) Selection Bracket
- 139-2428 - FLANGE SELF-TAPPING BOLTS - (Enables the (HOC) Selection Bracket to be Fastened Against the Mower Frame) x2 Per (HOC) Selection Bracket
- 140-2146 - (HOC) Pin - (Fits into the (HOC) Selection Bracket, providing a stable resting point for the Height of Cut (HOC) Link's - Weldment Plate - to Rest Against at the operator’s chosen Height Setting) x1 Per Unit
- 145-0557-01 - HEIGHT OF CUT LINK - (Connects the Front Mower Deck Pivot Arm/Foot Pedal Combo to the Rear Pivot Arm and Enable the Operator to use the Height of Cut (HOC) Selection Bracket and Pin to Set his Preferred Cut of Height as well as lift the Front and Back of the Mower Deck Simultaneously) x1 Per Unit
- 119-4061 - FLANGE BOLTS - (Retains the (HOC) Link and (HOC) Link Spacer to the Front and Rear Pivot Arm as well as Retaining the Foot Pedal to the Front Pivot Arm) x2 Per (HOC) Lift Link
- 140-2093 - HEIGHT OF CUT LINK SPACER - (Inserts into the (HOC) Link and Enable the (HOC) Link to be Tightened with the use of Flange Bolts and Nuts Without Sacrificing the Rotational Movement Needed for Raising and Lowering the Mower Deck) x2 Per (HOC) Lift Link
- 119-4042 - FLANGE NUT - (Retains the (HOC) Link and (HOC) Link Spacer to the Front and Rear Pivot Arm) x2 Per (HOC) Lift Link
- 145-6278-01 - FOOT LIFT ASSIST PEDAL - (Installed over the Mower Deck Front Pivot Arm Shaft and is Fastened with the (HOC) Link and Spacer Using the same Whole and Fastners) x1 Per Unit
- 145-4645-01 - MOWER DECK PIVOT/LIFT LEVARAGE ARM - (Travels Across/Between the Two Frames of the Mower and Attaches to the Lift Linkage and Lift Linkage Mower Deck Chain - Front Mower Deck Pivot Arm is the Same as the Rear Mower Deck Pivot Arm and Enables the Foot Lift Pedal to Slide over the Mower Deck Front Pivot Rod and Fastened with the (HOC) Link to the Front Pivot Arm) - *Review Part Number Model Fit Chart to Ensure Correct Fit x2 Per Unit
Specification
|
Product Number: |
145055701 |
|
Brand: |
Toro |
|
Length: |
NA |
|
Width: |
NA |
|
Height: |
NA |
|
Weight: |
2.928 LB (1.328 KG) |
Model Fit:
TIMECUTTER
42” TIMECUTTER MAX (STANDARD) Series – Model Numbers – (* Model Numbers 77402)
42” TIMECUTTER MAX (My-Ride) Series – Model Numbers – (* Model Numbers 77403)
50” TIMECUTTER MAX (STANDARD) Series – Model Numbers – (* Model Numbers 77501, 77505)
50” TIMECUTTER MAX (My-Ride) Series – Model Numbers – (* Model Numbers 77502)
54” TIMECUTTER MAX (STANDARD) Series – Model Numbers – (* Model Numbers 77504)
54” TIMECUTTER MAX (My-Ride) Series – Model Numbers – (* Model Numbers 77503)
60” TIMECUTTER MAX (STANDARD) Series – Model Numbers – (* Model Numbers 77601)
