Description
Toro OEM 137 2020 03 Mower Deck Rear Pivot Lift/Leverage Arm Is a Rod That Travels across the Frame of the Mower and Attaches to the Mower Deck Using the Mower Deck Lift Linkage Chains. Toro OEM 137 2020 03 Pivot Arm Rotate across the Frame of the Mower as the Operator Lower's and Raise's Their Mower Deck. This type of Design helps Leverage some of the Mower Deck Weight as well and makes for an easier Raising and Lowering of the Mower Deck. 137-2020-03 Mower Deck Pivot Rod is Designed for Toro Late Timecutter HD Models (Select Serial Numbers Only) - Late Titan X, XS, 4800, 5400, 6000, Standard, My-Ride Models (With Tube Style Framing). Due to Variation Within Model Numbers/Series, please refer to the Images above; Product Specifications and to the Model Fit Chart below to ensure a correct fit and for an Accurate Break down of Specific Model Number Usage.
*Note Select Timecutter Models Below Use Two Different Part Numbers of Rear Pivot Arm - Review Model Fit Chart For Associated Model and Serial Number Usage Combination.
For Serial Numbers 40....... and Above Use Part Number 137-2020-03
For Serial Numbers 40....... and Under Use Part Number 131-4059-03
ASSOCIATED PARTS REFERENCES FOR PART NUMBER 137-2020-03 ONLY
CLICK ON THE ASSOCIATED PART NUMBER TO BE REDIRECTED
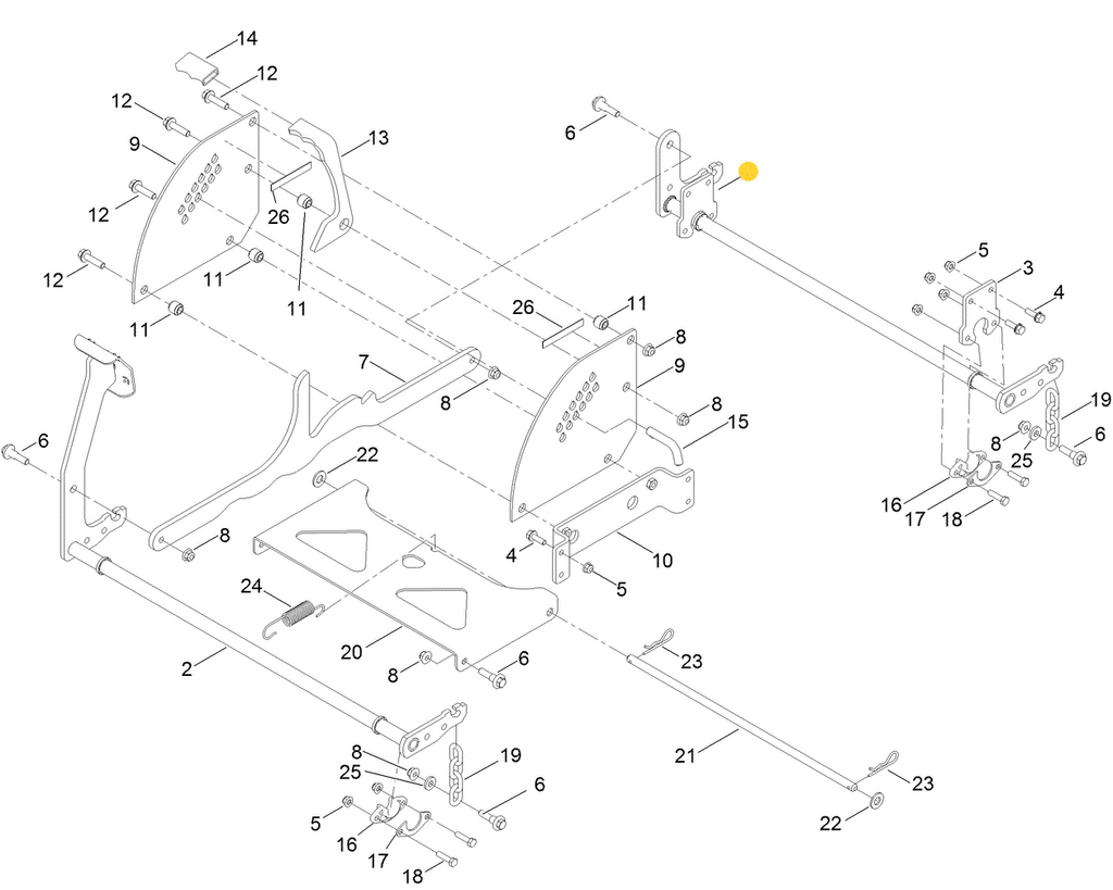
TIMECUTTER HD MODELS ONLY
*Parts Appear to be Similar in Both Reference Charts just Different Part Numbers
EXCEPT FOR THE (HOC) LIFT LINK
- 137-2020-03 - MOWER DECK PIVOT/LIFT LEVARAGE ARM (REAR) - (Travels Across/Between the Two Frames of the Mower and Attaches to the Lift Linkage and Lift Linkage Mower Deck Chain) - *Review Part Number Model Fit Chart to Ensure Correct Fit x1 Per Unit
- 137-2020-03 - MOWER DECK PIVOT/LIFT LEVARAGE ARM (REAR) - (Travels Across/Between the Two Frames of the Mower and Attaches to the Lift Linkage and Lift Linkage Mower Deck Chain) - *Review Part Number Model Fit Chart to Ensure Correct Fit x1 Per Unit
- 130-0668 - LIFT LINK CHAINS - (Connects the Mower Deck Pivot Lift/Leverage Arm and the Mower Deck - The Lift Link Chains Enable the Mower Deck to Free Float - Bolts to the Mower Deck and Connects to the Mower Deck Pivot Lift Arm Via the The Hook on the Pivot Lift Arm) x2 Per Mower Deck Pivot Lift/Leverage Arm
- 130-0742 - FLANGE SHOULDER BOLT - (Retains Mower Deck Lift Link Chain to the Mower Deck as well as Retaining the Height of Cut Link to the Front Mower Deck Pivot Arm/Foot Pedal Combo and Rear Mower Deck Lift Pivot Arm) x1 Per Lift Link Chain - x2 Per Height of Cut Link
- 43-0940 - FLAT SPACER/SUPPORT WASHER - (Assembled Between the Mower Deck Fastner Ear and the Lift Link Chain - Assist in Retaining Lift Link Chain Due to the Larger Adjustment Slotted Hole in the Mower Deck Fastner Ear or Bracket as well as Spaces the Lift Link Chain Away From the Mower Deck and Allows The Mower Deck More Forgiveness to Move as Needed when Coming in contact with Something or Just Simply Raising and Lower the Mower Deck) x4 Per Mower Deck
- 104-8301 - FLANGE NUT - (Retains Flat Spacer/Support Washer, Lift Link Chain and Shoulder Bolt to the Mower Deck as well as Retaining the Flang Bolt and Height of Cut Link to the Front Mower Deck Lift Pivot Arm/Foot Pedal Combo and Rear Mower Deck Lift Pivot Arm) x1 Per Mower Deck Lift Link Chain - x2 Per Height of Cut Link
- 137-2021-03 - UPPER MOWER DECK PIVOT-LIFT-LEVARAGE ARM SUPPORT BRACKET - (Attaches to the Lower Support Bearing/Bushing and Mower Deck Pivot Arm Gusset/Bracket this Enables the Lower Mower Deck Pivot Arm Support Bracket/Gusset to Retain the Mower Pivot Arm and to Rest in it as well as Enabling it to Rotate in a Replaceable Bearing Flange - the Upper Mower Deck Pivot Arm Support Bracket Assists in retaining Mower Deck Pivot Arm to the Frame Erea) x? 4 or 2 Per Unit varies on Model/Series
- 3234-29 - HEX HEAD BOLT - (Retains Upper Mower Deck Pivot Arm Cross Support Bracket to Mower Frame) x2 Per Bracket
- 104-8300 - FLANGE NYLON LOCK NUT - (Retains Upper Mower Deck Pivot Arm Cross Support Bracket to Mower Frame as well as the Lower Mower Cross Support Gusset/Bracket and Lower Cross Support Bearing/Bushings to Upper Cross Support Bracket) x4 Per Bracket
- 322-6 - HEX HEAD BOLT - (Retains the Lower Mower Cross Support Gusset/Bracket and Lower Cross Support Bearing/Bushings to Upper Mower Deck Pivot Arm Cross Support Bracket) x2 Per Bracket
- 115-5065 - LOWER MOWER DECK PIVOT-LIFT-LEVARAGE ARM SUPPORT BEARING/BUSHING - (Attaches with the Lower Mower Deck Pivot Arm Support Gusset/Bracket to the Upper Mower Deck Pivot Arm Cross Support Bracket and Allows for the Mower Deck Pivot Arm to Rest into it and Rotate in a Replaceable Bearing Flange Instead of Rotating Against Metal on Metal) x4 Per Unit
- 116-2887 - LOWER MOWER DECK PIVOT-LIFT-LEVARAGE ARM SUPPORT GUSSET/BRACKET - (Attaches with the Lower Mower Deck Pivot Arm Support Bearing/Bushing to the Upper Mower Deck Pivot Arm Cross Support Bracket and Allows for the Mower Deck Pivot Arm to Rest into it and Rotate in a Replaceable Bearing Flange as well as retaining the Bearing/Bushing and Mower Deck Pivot Arm) x4 Per Unit
- 127-3390-03 - HEIGHT OF CUT LINK - (Connects the Front Mower Deck Pivot Arm/Foot Pedal Combo to the Rear Pivot Arm and Enable the Operator to use the Height of Cut Assembly and Pin to Set his Preferred Cut of Height as well as lift the Front and Back of the Mower Deck Simultaneously) x1 Per Unit
TITAN MODELS ONLY
*Parts Appear to be Similar in Both Reference Charts just Different Part Numbers
EXCEPT FOR THE (HOC) LIFT LINK
- 133-4430-03 - MOWER DECK PIVOT/LIFT LEVARAGE ARM (FRONT) - (Travels Across/Between the Two Frames of the Mower and Attaches to the Lift Linkage and Lift Linkage Mower Deck Chain - Front Mower Deck Pivot Arm Also Contains the Foot Lift Pedal) - *Review Part Number Model Fit Chart to Ensure Correct Fit x1 Per Unit
- 137-2020-03 - MOWER DECK PIVOT/LIFT LEVARAGE ARM (REAR) - (Travels Across/Between the Two Frames of the Mower and Attaches to the Lift Linkage and Lift Linkage Mower Deck Chain) - *Review Part Number Model Fit Chart to Ensure Correct Fit x1 Per Unit
- 138-7205 - LIFT LINK CHAINS - (Connects the Mower Deck Pivot Lift/Leverage Arm and the Mower Deck - The Lift Link Chains Enable the Mower Deck to Free Float - Bolts to the Mower Deck and Connects to the Mower Deck Pivot Lift Arm Via the The Hook on the Pivot Lift Arm) x2 Per Mower Deck Pivot Lift/Leverage Arm
- 130-0742 - FLANGE SHOULDER BOLT - (Retains Mower Deck Lift Link Chain to the Mower Deck as well as Retaining the Height of Cut Link to the Front Mower Deck Pivot Arm/Foot Pedal Combo and Rear Mower Deck Lift Pivot Arm) x1 Per Lift Link Chain - x2 Per Height of Cut Link
- 138-7207 - FLAT SPACER/SUPPORT WASHER - (Assembled Between the Mower Deck Fastner Ear and the Lift Link Chain - Assist in Retaining Lift Link Chain Due to the Larger Adjustment Slotted Hole in the Mower Deck Fastner Ear or Bracket as well as Spaces the Lift Link Chain Away From the Mower Deck and Allows The Mower Deck More Forgiveness to Move as Needed when Coming in contact with Something or Just Simply Raising and Lower the Mower Deck) x4 Per Mower Deck
- 119-4041 - FLANGE NUT - (Retains Flat Spacer/Support Washer, Lift Link Chain and Shoulder Bolt to the Mower Deck as well as Retaining the Flang Bolt and Height of Cut Link to the Front Mower Deck Lift Pivot Arm/Foot Pedal Combo and Rear Mower Deck Lift Pivot Arm) x1 Per Mower Deck Lift Link Chain - x2 Per Height of Cut Link
- 137-2021-03 - UPPER MOWER DECK PIVOT-LIFT-LEVARAGE ARM SUPPORT BRACKET - (Attaches to the Lower Support Bearing/Bushing and Mower Deck Pivot Arm Gusset/Bracket this Enables the Lower Mower Deck Pivot Arm Support Bracket/Gusset to Retain the Mower Pivot Arm and to Rest in it as well as Enabling it to Rotate in a Replaceable Bearing Flange - the Upper Mower Deck Pivot Arm Support Bracket Assists in retaining Mower Deck Pivot Arm to the Frame Erea) x4 Per Unit
- 139-2596 - HEX HEAD BOLT - (Retains Upper Mower Deck Pivot Arm Cross Support Bracket to Mower Frame) x2 Per Bracket
- 119-4041 - FLANGE NYLON LOCK NUT - (Retains Upper Mower Deck Pivot Arm Cross Support Bracket to Mower Frame as well as the Lower Mower Cross Support Gusset/Bracket and Lower Cross Support Bearing/Bushings to Upper Cross Support Bracket) x4 Per Bracket
- 120-9696 - HEX HEAD BOLT - (Retains the Lower Mower Cross Support Gusset/Bracket and Lower Cross Support Bearing/Bushings to Upper Mower Deck Pivot Arm Cross Support Bracket) x2 Per Bracket
- 139-5872 - LOWER MOWER DECK PIVOT-LIFT-LEVARAGE ARM SUPPORT BEARING/BUSHING - (Attaches with the Lower Mower Deck Pivot Arm Support Gusset/Bracket to the Upper Mower Deck Pivot Arm Cross Support Bracket and Allows for the Mower Deck Pivot Arm to Rest into it and Rotate in a Replaceable Bearing Flange Instead of Rotating Against Metal on Metal) x4 Per Unit
- 138-7204 - LOWER MOWER DECK PIVOT-LIFT-LEVARAGE ARM SUPPORT GUSSET/BRACKET - (Attaches with the Lower Mower Deck Pivot Arm Support Bearing/Bushing to the Upper Mower Deck Pivot Arm Cross Support Bracket and Allows for the Mower Deck Pivot Arm to Rest into it and Rotate in a Replaceable Bearing Flange as well as retaining the Bearing/Bushing and Mower Deck Pivot Arm) x4 Per Unit
- 139-3553-03 - HEIGHT OF CUT LINK - (Connects the Front Mower Deck Pivot Arm/Foot Pedal Combo to the Rear Pivot Arm and Enable the Operator to use the Height of Cut Assembly and Pin to Set his Preferred Cut of Height as well as lift the Front and Back of the Mower Deck Simultaneously) x1 Per Unit
Specification
|
Product Number: |
137202003 |
|
Brand: |
Toro |
|
Length: |
17.500 IN (44.450 CM) |
|
Width: |
7.500 IN (19.050 CM) |
|
Height: |
3.000 IN (7.620 CM) |
|
Weight: |
4.265 LB (1.935 KG) |
Model Fit:
TIMECUTTER
48” TIMECUTTER HD Series – Model Numbers – * Model Numbers
74864 Serial Number 402000000 and Above,
74866 Serial Number 402000000 and Above,
74886 No Serial Number Break,
75201 Serial Number 401500000 and Above,
75210 Serial Number 401000000 and Above,
75211 Serial Number 402000000 and Above
54” TIMECUTTER HD Series – Model Numbers – * Model Numbers
74865 Serial Number 402000000 and Above,
74867 Serial Number 402000000 and Above,
74876 No Serial Number Break,
74888 No Serial Number Break,
75202 Serial Number 401500000 and Above,
75212 Serial Number 402000000 and Above
60” TIMECUTTER HD Series – Model Numbers – * Model Numbers
75213 Serial Number 402000000 and Above
TITAN
48” TITAN 4800, TITAN Standard, TITAN My-Ride (PRE - Current IBEAM – Framing – Tube Framing Models Only) – 48” Early / Late Models Only - (* Model Numbers 75301, 75311, 75314, 75304)
48” Titan X, XS Series (PRE - Current IBEAM – Framing – Tube Framing Models Only) – 48” Early Models - (* Model Numbers 74874, 74875, 74887, 74890)
54” TITAN 5400, TITAN Standard, TITAN My-Ride (PRE - Current IBEAM – Framing – Tube Framing Models Only) – 54” Early / Late Models Only - (* Model Numbers 75302, 75305, 75310, 75312, 75315)
54” Titan X, XS Series (PRE - Current IBEAM – Framing – Tube Framing Models Only) – 54” Early Models Only - (* Model Numbers 74877, 74889, 74898)
60” TITAN 6000, TITAN Standard, TITAN My-Ride (PRE - Current IBEAM – Framing – Tube Framing Models Only) – 60” Late Models - (* Model Numbers 75303, 75313, 75306, 75316)
