Description
Please refer to the Images above; Product Specifications, Associate Part Chart and the Model Fit Guide below to Ensure a proper fit.
Part Number 121-0360 Supersedes to Part Number 127-9143.
NOTE: Carburetor Rebuild Kits is the Cost-Effective Approach for Fixing Carburetor Issue - However, Hilly Ridge cannot Guarantee that a Carburetor Repair Kit will be an Effective Approach in Repairing your Carburetor Problems - Sometimes a Complete Carb. Assembly is the only Necessary to Repair Carburetor Issues.
- PRODUCT NUMBER AND VARIATIONS: 127-9143, 127 9143, 1279143, 121-0360, 121 0360, 1210360
- PRODUCT TYPE: Carburetor Repair Kit
- SIZE: Weight 0.050 lbs.
- NOTES & DETAILS: Toro OEM 127-9143 IS COMMINLY USED -
Most Common Reason for Snowblower Repairs is a Fuel/Carburetor Issue in Which Fuel Commonly Causes Carburetor issues due to Ethanol and/or Gas Going Stale in The Carburetor Causing Engine Start and/or Run Failure and Possible Gas Spills or Leaks.
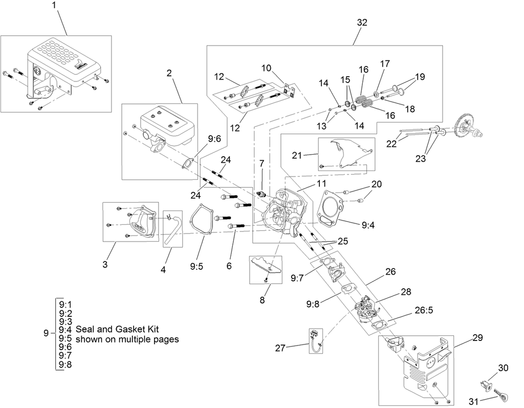
127-9143 Carburetor Rebuild Kit Contains Necessary Parts to Rebuild Select Carburetors Listed Below.
- 121-0345 - Power MAX 900 Series
- 121-0359 - Power Max 1000 Series
127-9143 Carburetor Repair Kits Come Contain the Following Part
- Float or Inlet Needle
- Inlet Needle Return Spring
- Float Retaining Pivot Pin
- Float
- Bowl Sealing O-Ring
- Bowl Retaining Bolt Gasket
- Insulator Gasket
- Carburetor Gasket
- Heat Box/Carburetor Shroud Gasket
- COMMON SERIES APPLICATIONS: Toro Select 900 Series & 1000 Series Power MAX Snow Blower Models.
- MODEL FIT CHART:
SNOWBLOWER’S
POWER MAX Series – Model Numbers – (* Model Numbers 38660, 38661, 38662, 38663, 38664, 38674, 38801, 38802, 38806, 38820, 38822, 38823, 38824, 38826, 38830, 38833, 38834, 38836, 38840, 38841, 38850, 38855)
- ASSOCIATED PARTS CHART:
ASSOCIATED PARTS REFERENCES FOR PART NUMBER 127-9143 ONLY
CLICK ON THE ASSOCIATED PART NUMBER TO BE REDIRECTED
COMPLETE CARBURETOR ASSEMBLY
- 121-0345 - Power MAX 900 Series
- 121-0359 - Power Max 1000 Series
ASOCCIATED INDIVIDUAL PARTS & KITS
- 121-0252 - INSUALTOR GASKET (Gasket That is Assembled Between the Isolator and Engine Block) x1 Per Carburetor
- N/A - *Only Available with Complete Carburetor Kit - INSULATOR - CARBURETOR (Insulator Assembled Between the Carburetor and Engine Block as well as Between 121-0252 Insulator Gasket and 121-0253 Carburetor Gasket - Is Essential for Delivering the Carburetor's Proper Air Fuel Mixture to The Combustion Chamber as well as Correct Spacing for Linkage Arm and Throttle Linkage) x1 Per Carburetor
- 121-0253 - CARBURETOR GASKET (Gasket That is Assembled Between the Carburetor and Insulator) x1 Per Carburetor
- 121-0254 - CARBURETOR SHROUD or HEAT BOX GASKET (Gasket That is Assembled Between the Carburetor and Heat Box) x1 Per Carburetor
- 121-0355 - CARBURETOR SHROUD or HEAT BOX (Installed Over the Carburetor to Enable the Carburetor to Retain Heat After Startup as well as Eliminate the Entrance of Moisture and Dirt through the Carburetor's Air Intake Hole) x1 Per Carburetor *Comes with Heat Box, Heat Box Spacer Baffle and Retaining Nuts
- 121-0308 - CARBURETOR & HEAT BOX RETAINING NUT (Retains the Carburetor Assembly, Gasket and Heat Box to the Snowblower Engine) x2 Per Carburetor
- 121-0352 - GOVERNOR ARM, ROD TENSION, ROD SPRING & THROTTLE RETURN SPRING KIT (Gov. & Carb. Linkage Controls the Amount of Air and Fuel Mixture that Enters the Carburetor's Intake Via the Engine RPM'S or Speed sets by the Operator - Governor Rod and the Rod Tension Spring is Installed Between the Carburetor and Governor Arm - Return Spring Enable the Engine to Return to Idler after Throttle Tension is Release by the Operator - Governor Arm Attaches to the Governor Shafts, Throttle Tensioner Spring and Rod and Directly Controls the Internal Governor Components as Demanded By the Operator) x1 Per Carburetor
- 139-0638 - CHOKE LEVER (Inserts into the Choke Linkage and Enables the Operator to Easily Controls the Choke Operation of the Carburetor - Reduces Air and Increase Fuel Draw to the Intake and Combustions Chamber Allowing for a Faster Starting Under Cold Engine Temperatures) x1 Per Carburetor
- 127-9372 - PRIMER BULB KIT (Enable the Operator to Draw Fuel from the Carburetor Bowl into the Intake Area of the Carburetor Before Trying to Start the Engine - Enabling a Faster Engine Startup) x1 Per Carburetor *Primer Hose, Primer Bulb Assembly, Primer Hose Clamps Include in the Kit
- 121-0087 - FUEL LINE CLAMP - CARB., FUEL VALVE, FUEL TANK (Retains the Incoming Fuel Line Hose to the Carburetor, Fuel Valve & Fuel Tank) x4 Per Carburetor
-
139-0598 - FUEL LINE & FILTER KIT (Enables Fuel to Travel from the Fuel Tank to the Carburetor Bowl - Fuel Line Only Connects to the Lower End of the Tank Fuel Filter to the Fuel Valve and from there Connect from the Fuel Valve to the Carburetor - Fuel Filter Screws into the Bottom of the Fuel Tank) x1 Per Carburetor *Fuel Line Hose, Tank Fuel Filter, Hose Clamps, Abrasive Sleeves are Include in the Kit
- 121-4109 - FUEL VALVE (Enables the Operator to Eliminate Fuel Traveling to the Carburetor Bowl) x1 Per Fuel Tank
