×
Description
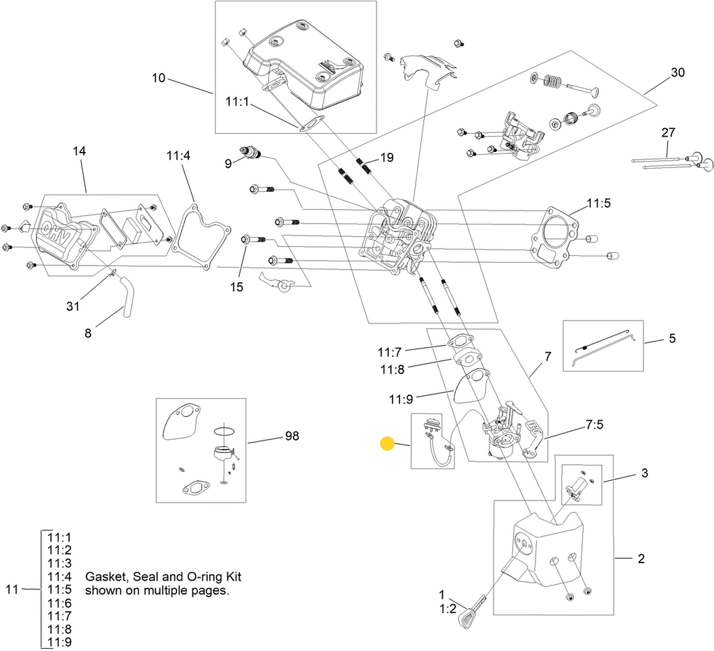
Please refer to the Images above; Product Specifications, Associate Part Chart and the Model Fit Guide below to Ensure a proper fit.
- PRODUCT NUMBER AND VARIATIONS: 119-1981, 119 1981, 119981
- PRODUCT TYPE: Primer Bulb & Fuel Line Kit - Comes with Primer Bulb Assembly, Primer Bulb Fuel Line & Fuel Line Clamp
- SIZE: Weight 0.050 lbs.
- NOTES & DETAILS: Toro OEM 119-1981 IS COMMINLY USED - 119-1981 Both Fuel Line and Primer Bulb Assembly is Commonly Used to Connect and Allow Fuel to Be Siphoned into the Carburetor Intake. 119-1981 Fuel Line Kit Enable Fuel to be Delivered to the Intake of the Carburetor Via the Primer Bulb Operation Allowing for a Faster Starting Procedure. 119-1981 Primer Bulb Fuel Line Kit Comes with all the Necessary Primer Bulb, Primer Bulb Line and Primer Bulb Line Clamp - For Additional Associated Parts Refer to the Associated Part Chart Below.
- COMMON SERIES APPLICATIONS: Toro Select 18" 400 & 500 Series Power Clear & Powerlite Snow Blower Models
- MODEL FIT CHART:
SNOWBLOWER’S
POWER LITE Series – Model Numbers – (* Model Numbers 38273, 38274, 38283)
POWER CLEAR Series – Model Numbers – (* Model Numbers 38272 Serial Number 311000001 and Higher, 38282 Serial Number 311000001 and Higher, 38472, 38473, 38474, 38475)
- ASSOCIATED PARTS CHART:
ASSOCIATED PARTS REFERENCES FOR PART NUMBER 119-1981 ONLY
CLICK ON THE ASSOCIATED PART NUMBER TO BE REDIRECTED
COMPLETE CARBURETOR ASSEMBLY
- 119-1980 - Powerlite (Only Model 38273 & 38283) & Select Power Clear 400 Series (* Model Numbers 38272 - Serial Number 311000001 and Higher, 38282 - Serial Number 311000001 and Higher)
-
136-7931 - Powerlite (Only Model 38274), Power Clear 500 Series (Only Select Models - Review Models Fit Chart Associated to Each Part Numbers)
ASOCCIATED MAIN FUEL LINE & PRIMER BULB/FUEL LINE KITS
- 119-1981 - PRIMER BULB KIT (Enable the Operator to Draw Fuel from the Carburetor Bowl into the Intake Area of the Carburetor Before Trying to Start the Engine - Enabling a Faster Engine Startup) x1 Per Carburetor *Primer Hose, Primer Bulb Assembly, Primer Hose Clamps Include in the Kit (* Excluding Model Numbers 38272 With Serial Number 310999999 and Lower, 38282 With Serial Number 310999999 and Lower)
- 119-1930 - PRIMER BULB KIT (Enable the Operator to Draw Fuel from the Carburetor Bowl into the Intake Area of the Carburetor Before Trying to Start the Engine - Enabling a Faster Engine Startup) x1 Per Carburetor *Primer Hose, Primer Bulb Assembly, Primer Hose Clamps Include in the Kit (* Only Model Numbers 38272 With Serial Number 310999999 and Lower, 38282 With Serial Number 310999999 and Lower)
- 136-7773 - FUEL LINE & FILTER KIT (Enables Fuel to Travel from the Fuel Tank to the Carburetor Bowl - Fuel Line Only Connects to the Lower End of the Tank Fuel Filter and from there Connect to the Carburetor - Fuel Filter Screws into the Bottom of the Fuel Tank) x1 Per Carburetor *Fuel Line Hose, Tank Fuel Filter, Hose Clamps are Include in the Kit - Powerlite (Only Model 38274) & Power Clear 500 Series (Select Models - Review Models Fit Chart Associated to Each Part Numbers)
-
121-0487 - FUEL LINE & FILTER KIT (Enables Fuel to Travel from the Fuel Tank to the Carburetor Bowl - Fuel Line is supposed to Connect to Both Sides of the Inline Fuel Filter and from there Connect to the Carburetor and Fuel Tank) x1 Per Carburetor *Fuel Line Hose, Inline Fuel Filter, Hose Clamps Include in the Kit - Powerlite (Only Model 38273 & 38283) & Select Power Clear 400 Series (Model Numbers 38272 - Only Serial Number 311000001 and Higher, 38282 - Only Serial Number 311000001 and Higher).
